Правильное подключение натриевых ламп
Пускорегулирующий аппарат (ПРА) = дроссель + ИЗУ. Данное устройство для зажигания лампы. Дроссель представляется в качестве балласта. Рекомендовано применять двух-обмоточные, есть и одно-обмоточные, но они устарели и не так практичны как новые. Дроссель отечественный

Импортный

Использовать ДНаТ с дросселем от ДРЛ категорически запрещается, так как существует риск нагрева лака изоляционного, и впоследствии возникает межвитковое замыкание. Этот материал пожароопасный.

Отечественный ИЗУ-У-700/220-В-001 Используется импортная модель HI 400S для натриевых ламп в 100, 400 Вт.


ИЗУ надежен, эффективен и ценится при наличии 3 проводов чем 2.
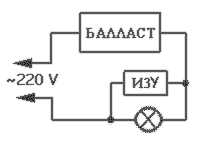
Натриевая лампа – схема подключения
Лучше всего рекомендуем устанавливать родной дроссель с соответствующим номиналом. Нарушая такой простой алгоритм, есть тот риск, что служба лампы укоротится в некоторое количество, впоследствии чего упадет светоотдача в катастрофическом числе. Между ИЗУ и лампой должно быть расстояние не более 1 метра. Соединение выполняется проводом из меди (с площадью сечения 1,5 мм2). Плавкий или биметаллический предохранитель на 5А ставится на выходе в цепи. Провода соединять нужно правильно и надежно – пайкой или же винтовыми клеммниками.
Дабы избежать возникновения пожара и подобных неприятностей необходимо использовать автомат-предохранитель, который нужно ставить на фазу. Но минус его в том, что после активации автомата на тот самый дроссель или же ИЗУ все равно поступает напряжение.
Практика показала, что лучше всего использовать автомат двухполюсной. Пример, есть ДНаТ — 100, с током светильника 1,2А, при пуске который будет в 1,5 больше. Что имеем — 1,2 * 1,5 = 1,8А. Так как такую сумму не добыть, нужно купить автомат на 3А двухполюсной.
ИЗУ 3-х полосный с дросселем – подключение:

Схемы подсоединения рекомендуются сидбанком Ganja Seeds
| D | Дроссель |
| UN | сетевое напряжение 230 В (близ 2000 Вт и 3500 Вт = 400 В) |
| K | конденсатор компенсации |
| Z | устройство зажигания (ставить поблизости лампы) |
| ZL | провод ВЧ зажигания к заземленному контакту лампы |
| K+S | оперативный выключатель и контактор |

Схемы подсоединения, рекомендованные фирмой Helvar

Короткая таблица по разъяснительным обозначениям
Главные знаки продукта в соответствии с нормами европейских стран

Символ ENEC (European Norms Electrical Cetrification – Европейские нормы сертификации электротехнических продуктов) это европейский экспериментальный и сертификационный знак, который имеется на светильниках, прожекторах, прочих СП и электрических компонентах (ПРА, трансформаторах, ЗУ). Это значит, что этот символ считается уникальным продуктом, что отвечает европейским нормам.

Символ VDE (Verband Deutscher Elektrotechniker – Союз немецких электротехников) Представляется как удобным применением продукта, предотвращая электрическую, пожарную, токсическую угрозу.

Символом GS (проверенная безопасность) контрольный пункт с удостоверенным подходящим продуктом Федерального закона ФРГ про сохранность домашней техники.

Символ VDE-EMV (электромагнитная совместимость) представляется как ограничения электромагнитных помех: противоположное влияние электрического устройства на питающую сеть; самозащита от радиопомех; помехоустойчивость.
ЭПРА
схема эпра 250 ватт








